Schnell und effizient einen Hoch- bzw. Quarantänebecken aufstellen.
Ich musste mir Gedanken machen wie ich mein Überbesatz im Teich (in diesem Fall Störe) schnell und effektiv senke. Bei allen Ideen die da so in Frage kamen, waren große Baumaßnahmen und Kosten von Nöten.
Bis ich bei der Baumarktkette
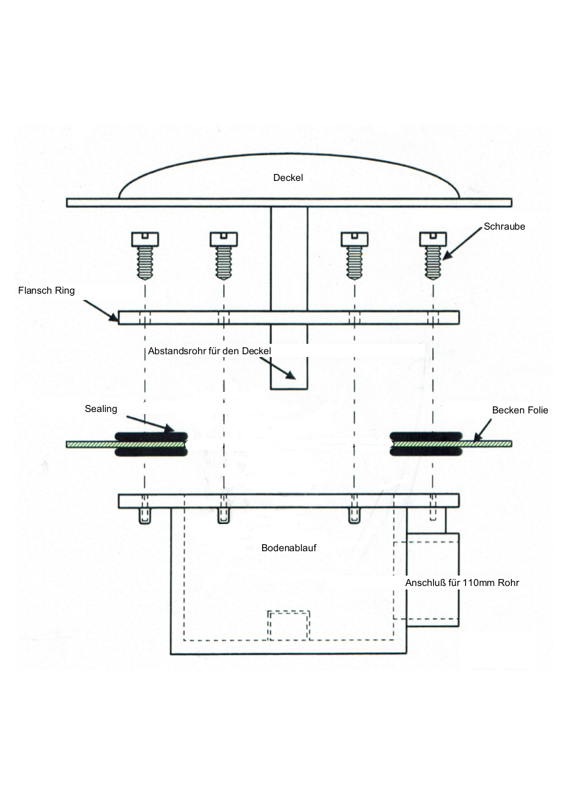
auf eine sehr einfache und kostengünstige Idee stoß. Also überlegte ich wie man daraus ein funktionierendes Hoch- oder auch Quarantänebecken bauen könnte. Da ich es als Hochbecken betreiben möchte, suchte ich einen Platz nahe dem Haus aus. Wo es Schatten und auch Sonne im Verlaufe des Tages erhielt. Gleich nach der Zusendung des Beckens fingen wir mit dem Bau des Hochbeckens an. Da die Behälterumrandung aus Holz ist entschied ich mich diese auf Steine zustellen (da ich die noch hatte) es können aber auch normale Gehwegplatten sein. Um ein faulen des Holzes bei Feuchtigkeit zu unterbinden. Nachdem man den Untergrund waagerecht vorbereitet hat kann man den Beckenrand darauf stellen und ausrichten. Zu sehen ist auch das ich ein Bodenablauf gleich mit eingebaut habe. Da es ja Schwerkraft betrieben werden soll. Bei einer Pumpenversion nicht nötig. Nach dem Ausrichten des Beckenrands auf einer Unterlage (in diesem Fall eine Gewebeverstärkte Plastikplane), wird die Folie eingebracht. Dies lässt sich auch wieder zu zweit am besten machen. Zudem sollte die Folie mindestens eine halbe Stunde in der Sonne liegen. Um sie etwas geschmeidiger zu bekommen. Halten tut die Folie durch überstülpen am Beckenrand. Wenn man die Folie schön ausgerichtet hat kommt noch ein schwieriges Unterfangen. Für das anbringen des Flansches und Schneiden des Lochs für den Bodenablauf sollte man sich Zeit lassen. Man legt auf die ausgerichtete Folie den Flansch über den Bodenablauf und Zeichnet sich den Ausschnitt an. Das Ausrichten des Flansches kann man leicht durch herunterdrücken der Folie am Rand vom Bodenablauf ertasten. Dann wird ein Kreutz in dem angezeichneten Kreis geschnitten, aber nicht ganz bis zum Ende, etwa 2-3 cm vor der Linie hört man auf. Nun kann man unter der Folie greifen und alles nochmals säubern und den Sealing auftragen. Ich habe den Sealing “Super Strong Fix&Seal“ ein MS Polymer Teichkleber benutzt. Mit diesem Sealing habe ich gute Erfahrungen gemacht. Nun kann man mit dem Bau des Gestells für den Filter anfangen. Ich pumpe das gereinigte Wasser aus der letzten Filterkammer wieder zurück in das Becken. Damit schließt sich der Kreislauf. Das Becken hat 249.- Euro gekostet. Fotos mit Verkleidung werden noch nachgeliefert, wenn die Verkleidung fertig ist.
Ein Regenauffangbecken von “ Beckmann " mit 2 m² Volumen. Daraus lässt sich doch was machen dachte ich.
Es sollte durch Schwerkraft betrieben werden um schnell alle Reststoffe aus dem Becken zu bekommen. Gedacht getan!
Als erstes waren die Holzstücke + Abstandshalter des Beckens auf die Stahlseile zu fädeln. Als alle aufgefädelt waren, begann ein etwas schwieriges Unterfangen. Dies macht man am besten zu zweit. Man muss jetzt die zusammengefädelten Holzstücke aufrichten und an den Enden zusammenbringen. Dabei ist darauf zu achten das keine Zwischenräume entstehen. Alle Holzstücke und Abstandshalter dürfen kein Spiel haben!
Das Loch schneiden für den Bodenablauf.
Auch der Flansch wird nun eingesealt und aufgelegt.
Nun muss man aufpassen das auch die unteren Bohrlöcher die man sich am besten vorher durch abtasten markiert hatte getroffen werden. Wenn nun alles zusammengeschraubt ist schneidet man genau am Rand vom Flansch den inneren Kreis aus. Sägt das Abstandsrohr für den Deckel noch auf die gewünschte höhe und setzt den Deckel drauf. Fertig!
Da hier wohl viele verschiedene Vorstellungen aufeinander treffen werde ich den Bau nicht erklären.
Wichtig ist nur das die Höhe für den Filter genau berechnet wird um eine gute und korrekte Funktion zu erhalten.
Dies ist meiner Meinung nach eine schöne, schnelle und preisgünstige Lösung um ein Hochbecken bzw. Quarantänebecken zu erstellen.
Einen Filter haben die meisten “Nishikigoi verrückten“ meistens immer noch einen übrig.
So das sich die Kosten lediglich auf das Becken, Rohre und Gestell beziehen.
Arbeitszeit (mit vielen Pausen) 1 ½ Tage, ohne Verkleidung des Gestells.





